型号:PAD1187XP
连接方式:对夹连接
适用温度:-15℃~130℃
阀体材质:铸铁、碳钢、不锈钢
密封材质:EPDM
适用介质:粉料及颗粒输送管道
产品概述
玮控气动膨胀蝶阀解决了传统工业蝶阀阀板和阀座之间的磨损问题,避免了软密封过度挤压导致的变形。
1. 膨胀式密封系统:阀座的**设计使阀体和阀座有一个连续、可变形空腔。当阀板关闭后,阀座在外部气源的压力下,慢慢膨胀并抱紧阀板以达到密封的效果。需要开启时,空腔内的压力会快速排空让阀座收缩以释放阀板再打开,启闭过程中阀座和阀板的接触时间和面积非常少。
2. 气动膨胀蝶阀操作扭矩比传统蝶阀降低35%,磨损率减少约90%
3. 玮控气动膨胀蝶阀解决了传统工业蝶阀阀板和阀座之间的磨损问题,避免了软密封过度挤压导致的变形。
工作原理

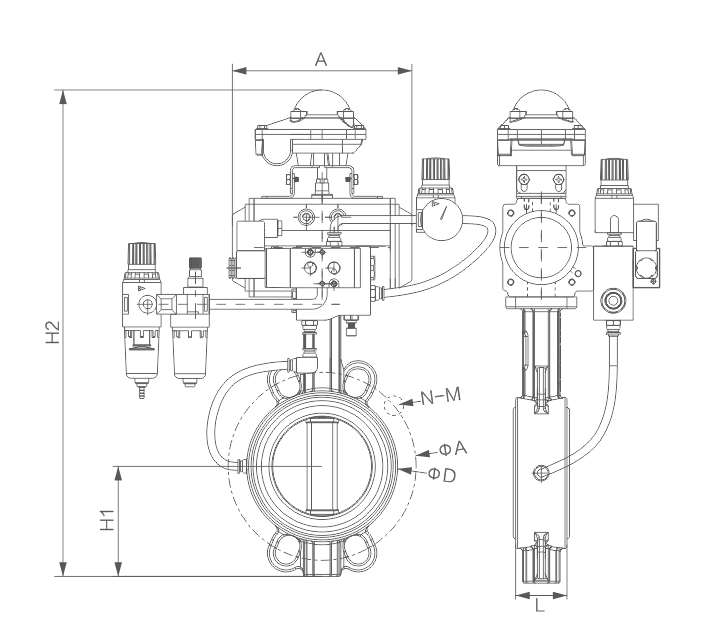
产品尺寸图
主要外形连接尺寸
|
通径 |
L |
ΦA(PN10/16) |
H1 |
N-M(PN10/16) |
H2 |
ΦD |
A |
|
50 |
42 | 125 | 55 |
4-16 |
389 | 95 | 155 |
| 65 | 44 | 145 | 64 |
4-16 |
411 | 114 | 155 |
| 80 | 44 | 160 | 73 |
8-16 |
426 | 126 | 155 |
| 100 | 50 | 180 | 88 |
8-16 |
492 | 154 | 219 |
| 125 | 56 | 210 | 102 |
8-16 |
519 | 180 | 219 |
| 150 | 56 | 240 | 115 |
8-20 |
558 | 206 | 249 |
| 200 | 60 | 295 | 149 |
8-20/12-20 |
642 | 264 | 274 |
| 250 | 68 | 350/355 | 184 |
12-20/12-24 |
722 | 320 | 315 |
| 300 | 78 | 400/410 | 207 |
12-20/12-24 |
819 | 370 | 417 |
| 350 | 78 | 460/470 | 247 |
16-20/16-24 |
931 | 430 | 452 |
| 400 | 102 | 515/525 | 275 |
16-24/16-27 |
971 | 480 | 540 |
| 450 | 114 | 565/585 | 307 |
20-24/20-27 |
1091 | 550 | 585 |
| 500 | 127 | 650/656 | 330 |
20-24/20-30 |
1184 | 590 | 685 |
| 600 | 151 | 725/770 | 400 |
20-27/20-33 |
1375 | 695 | 743 |