型号:AQ0F184FP
连接方式:法兰连接
适用温度:-20℃~400℃
阀体材质:不锈钢
密封材质:PTFE、PPL、PEEK、304、STL
适用介质:水、空气、油品、弱腐蚀性介质等
产品概述
1. 玮控气动蒸汽球阀根据
2. 90°旋转球阀,在气源压力的作用下,由活塞推动转轴带动阀杆运动,继而实现球阀的开关和调节。
3. 铝合金气缸缸体为挤压铝合金,硬质氧化处理,表面质地坚固,耐磨性好,使用寿命长。
气动球阀配置AT大扭力气缸,扭矩大,开闭迅速,便于远距离操作控制,很大程度的节约了人力资源及时间。密封全一般是活动的,拆卸更换都比较方便,在开关适球体和阀座密封面与介质隔离,介质通过时,不会引起阀门密封面的侵蚀。
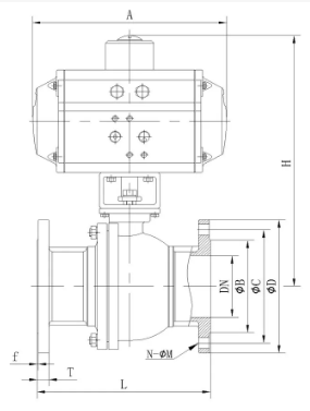
产品尺寸图

|
公称通径(DN)
|
L
|
E
|
H
|
W
|
管螺纹
|
|
|
(mm)
|
(in)
|
P
|
||||
|
20
|
3/4"
|
117
|
58.5
|
101
|
170
|
G3/4"
|
|
25
|
1"
|
127
|
62.5
|
106
|
170
|
G3/4"
|
|
40
|
1 1/2"
|
165
|
63.5
|
125
|
250
|
G3/4"
|
|
50
|
2"
|
178
|
68
|
135
|
250
|
G3/4"
|
|
80
|
3"
|
229
|
82
|
193
|
350
|
G3/4"
|
|
100
|
4"
|
254
|
83
|
265
|
420
|
G3/4"
|
|
150
|
6"
|
292
|
95
|
355
|
1000
|
G3/4"
|
|
200
|
8"
|
330
|
100
|
410
|
1300
|
G3
|